به عنوان یک محصول نماینده نیروگاه کابلی Yueqing Tongda که شامل یکپارچگی استانداردسازی و سفارشی سازی هسته است، سوئیچ میکرو سوئیچ آبگرمکن و اجاق گاز با اصول اصلی "پایداری، قابلیت اطمینان و سازگاری با صحنه" طراحی شده است. این شامل 35 سال تخصص در تولید سوئیچ، دستیابی به بهینه سازی های متعدد در عملکرد الکتریکی، سطوح حفاظتی و تجربه کاربر است. این سوئیچ به طور گسترده برای سناریوهایی مانند توزیع برق هوشمند در خانه، تجهیزات کمکی صنعتی و ابزار پزشکی کوچک قابل استفاده است، و آن را به یک جزء کنترل مدار ترجیحی تبدیل می کند که جهانی بودن را با پتانسیل سفارشی سازی متعادل می کند.
میکرو سوئیچمقدمه
سوئیچ HK-04G-L بر الزامات عملی برای پارامترهای کلیدی تمرکز دارد که استانداردهای کنترل اولیه را برای سناریوهای مختلف برآورده می کند. کنتاکت ها از آلیاژ نقره-قلع ساخته شده و با جوشکاری دقیق، با مقاومت تماس اولیه ≤8mΩ پردازش شده اند. این می تواند به طور قابل اعتماد جریان AC 10A-16A (ولتاژ نامی 250 ولت AC) را حمل کند که برای نیازهای برق اکثر دستگاه های خانگی و صنعتی کوچک مناسب است و به طور موثر از مسائل مربوط به گرمای بیش از حد تماس یا فرسایش ناشی از اضافه بار جریان جلوگیری می کند.
عملکرد ماشه و طول عمر به همان اندازه قابل اعتماد هستند: از ساختار ماشه ای از نوع راکر استفاده می کند، با حرکت فشاری 1.3-1.6 میلی متر و نیروی عملیاتی در محدوده 1.5-3N کنترل می شود. بازخورد فعالسازی واضح و روان است و استفاده روزمره را بعید میسازد که «فشار بدون پاسخ» را تجربه کنید. طول عمر مکانیکی به 80000 چرخه پرس می رسد و طول عمر الکتریکی بیش از 50000 چرخه است. در دستگاههای با فرکانس بالا مانند یخچالها، فنهای کوچک و چاپگرهای تجاری، میتواند به مدت 3-5 سال عملکرد پایداری داشته باشد.
سازگاری محیطی با شرایط سناریوی مرسوم مطابقت دارد: این محصول در محدوده دمایی -30 درجه سانتیگراد تا 80 درجه سانتیگراد کار می کند، قادر به تحمل دماهای پایین در زمستان های شمالی و شرایط اتلاف گرما در تابستان است. مقاومت عایق ≥50MΩ (500VDC) است و مقاومت ولتاژ ترمینال به 800 ولت AC می رسد و استانداردهای الکتریکی ایمنی برای مصارف خانگی و تجاری را برآورده می کند. علاوه بر این، بدنه از مواد ABS مقاوم در برابر شعله (منطبق با UL94 V-1) ساخته شده است که خطرات ایمنی ناشی از اتصال کوتاه مدار را کاهش می دهد.
میکرو سوئیچبرنامه
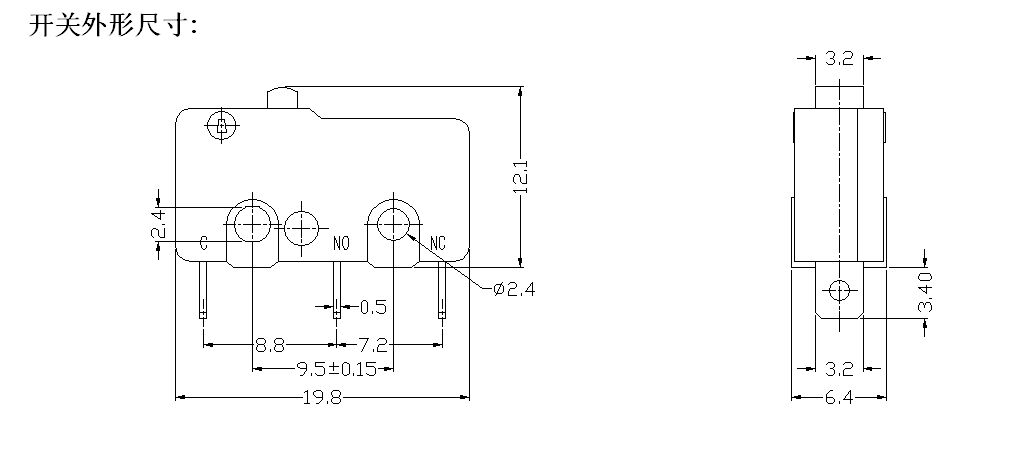
در سناریوهای خانه و خانه هوشمند، HK-04G-L با اندازه جمع و جور خود (تقریباً 20×15×10 میلی متر، L×W×H)، می تواند به راحتی در جعبه های توزیع هوشمند، سوکت های دیواری و پانل های کنترل لوازم کوچک ادغام شود. در حال حاضر به یک جزء مورد استفاده توسط چندین برند خانه هوشمند داخلی برای عملکردهایی مانند کنترل روشنایی و سوئیچینگ برق دستگاه تبدیل شده است. یک برند گزارش داد که میزان خرابی محصولات مجهز به آن 40 درصد کمتر از سوئیچ های سنتی است.
در سناریوهای صنعتی و تجاری در مقیاس کوچک، این محصول برای کنترل قدرت تجهیزات نوار نقاله کوچک، ماشین های قهوه تجاری، چاپگرهای اداری و سایر دستگاه ها مناسب است. با بهینه سازی ساختار اتصال ترمینال، از نصب سریع سیم کشی پشتیبانی می کند و کارایی مونتاژ دستگاه را افزایش می دهد. پیش از این، یک نسخه سفارشی برای یک سازنده لوازم تجاری، از طریق تنظیم فاصله ترمینال، الزامات سیم کشی داخلی فشرده تجهیزات خود را برآورده می کرد و راندمان نصب را تا 25٪ بهبود می بخشید.
میکرو سوئیچ مشخصات
| مشخصات فنی سوئیچ: | |||
| آیتم | پارامتر فنی | ارزش | |
| 1 | رتبه بندی برق | 5(2)A 125V/250VAC 10(3)125V/250VAC | |
| 2 | تماس با مقاومت | ≤50mΩ مقدار اولیه | |
| 3 | مقاومت عایق | ≥100MΩ (500VDC) | |
| 4 |
دی الکتریک ولتاژ |
بین پایانه های غیر متصل |
500V/0.5mA/60S |
| بین پایانه ها و اسکلت فلزی |
1500V/0.5mA/60S | ||
| 5 | زندگی الکتریکی | ≥10000 چرخه | |
| 6 | زندگی مکانیکی | ≥100000 چرخه | |
| 7 | دمای عملیاتی | -25 ~ 125 ℃ | |
| 8 | فرکانس عملیاتی | برق: 15 سیکل مکانیکی: 60 سیکل |
|
| 9 | ضد لرزش | فرکانس ارتعاش: 10 ~ 55 هرتز؛ دامنه: 1.5 میلی متر؛ سه جهت: 1H |
|
| 10 | قابلیت لحیم کاری: بیش از 80 درصد از قسمت غوطه ور باید با لحیم پوشانده شود |
دمای لحیم کاری: 5±235 درجه سانتیگراد زمان غوطه ور شدن: 2 تا 3 ثانیه |
|
| 11 | مقاومت حرارتی لحیم کاری | لحیم کاری عمیق: 260±5℃ 5±1S لحیم کاری دستی: 300±5℃ 2~3S |
|
| 12 | تاییدیه های ایمنی | UL، CSA، VDE، ENEC، CE | |
| 13 | شرایط آزمون | دمای محیط:20±5℃ رطوبت نسبی: 65±5٪ RH فشار هوا: 86 ~ 106 کیلو پاسکال |
|
تانگدا وایر الکتریک سوئیچ برق داخلی Micro USB جزئیات

