به عنوان یک شاهکار کلاسیک توسط Yueqing Tongda در زمینه میکرو سوئیچ ها، قفل هوشمند درب و ربات جاروبرقی سه گانه میکرو سوئیچ دارای مزایای اصلی "ساختار مینیاتوری، عمر فوق العاده طولانی، و راه اندازی دقیق" است و به طور ویژه برای دستگاه های تعامل انسان و کامپیوتر مانند ماوس ها و کیبوردهای الکترونیکی و همچنین برنامه های کاربردی کوچک الکترونیکی طراحی شده است.
معرفی میکرو سوئیچ
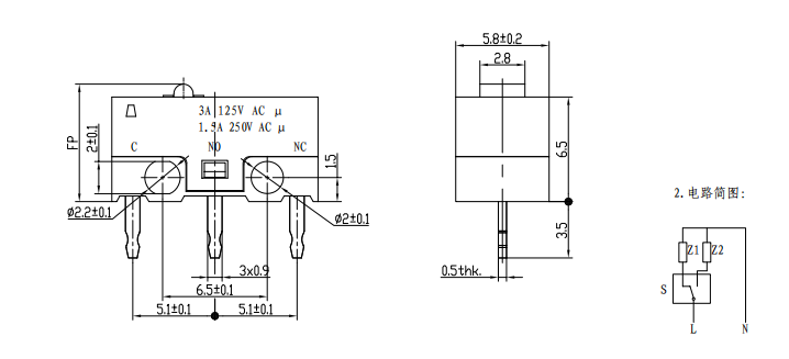
به عنوان یک شاهکار کلاسیک توسط Yueqing Tongda در زمینه سوئیچ های مینیاتوری، سوئیچ ماوس HK-10 دارای مزایای اصلی "ساختار مینیاتوری، طول عمر فوق العاده طولانی و فعال سازی دقیق" است که به طور خاص برای دستگاه های تعامل انسان و کامپیوتر مانند ماوس و صفحه کلید و همچنین برنامه های کنترل الکترونیکی کوچک طراحی شده است. این محصول با ادغام بیش از سی سال تخصص در تولید سوئیچ و فناوری ثبت شده، به دلیل سرعت پاسخ دهی در سطح میلی ثانیه، دوام ده ها میلیون چرخه و سازگاری گسترده، به یک جزء کنترل کلیدی در لوازم الکترونیکی مصرفی، کنترل صنعتی و دستگاه های هوشمند تبدیل شده است. مدتهاست که خدمات پشتیبانی را برای برندهای الکترونیکی شناخته شده داخلی و بین المللی ارائه کرده است.
این دستگاه با دستگاه های پوشیدنی هوشمند، پانل های کنترل خانه هوشمند، دستگاه های الکترونیکی قابل حمل و غیره سازگار است. طراحی جمع و جور و مصرف انرژی کم آن کاملاً نیازهای دستگاه های کوچک را برآورده می کند و پشتیبانی کنترل دقیقی را برای محصولاتی مانند ساعت های هوشمند و قفل های هوشمند درب فراهم می کند.
برای پنلهای لمسی صنعتی، دکمههای کنترل کوچک، کنترل میکرو حرکت در تجهیزات اتوماسیون و غیره استفاده میشود. رتبه حفاظتی IP40 آن میتواند در برابر گرد و غبار کارگاه مقاومت کند و عملکرد دمایی گسترده آن با تغییرات دما در محیطهای صنعتی سازگار است و عملکرد پایدار را در سناریوهایی مانند کنترل خط مونتاژ و اشکالزدایی تجهیزات تضمین میکند.
پارامتر میکرو سوئیچ (مشخصات)
| آیتم | پارامترهای فنی اصلی |
| 1 | امتیاز برق: 1A/3A 250VAC |
| 2 | طول عمر الکتریکی: حداقل 10000 سیکل |
| 3 | مقاومت تماس:<50mΩ |
| 4 | نیروی عملیاتی: 70±20gf |
| 5 | موقعیت آزاد: 7.3±0.2 میلی متر |
| 6 | موقعیت عملیاتی: 7.0±0.2 میلی متر |
| 7 | دمای محیط: T85 درجه |
| 8 | مقاومت در برابر ولتاژ: بین ترمینال و ترمینال 500V/5S/5mA؛ |
| بین پایانه ها و کیس 1500/5S/5mA | |
| 9 | مقاومت عایق:> 100MΩ ولتاژ تست 500VDC |
| 10 | شاخص ردیابی اثبات PTI: 175 ولت |
جزئیات میکرو سوئیچ
