HK-14 بهعنوان مدل معیار سری میکرو سوئیچ نیروگاه کابلی Yueqing Tongda، «حساسیت بالا، طول عمر فوقالعاده طولانی و سازگاری با چند سناریو» را بهعنوان مزایای اصلی خود دارد. با ادغام 35 سال تخصص این شرکت در تولید سوئیچ، به لطف حداقل فاصله تماس و مکانیسم عمل سریع، به یک جزء کنترل کلیدی در لوازم خانگی، الکترونیک خودرو، اتوماسیون صنعتی و سایر زمینه ها تبدیل شده است. عملکرد و قابلیت اطمینان آن توسط چندین سازمان معتبر در سراسر جهان تأیید شده است و موقعیت اصلی خود را در بازارهای خاص تضمین می کند.
شاخص ردیابی اثبات PTI: 175 ولت
راهاندازی دقیق میلیثانیه: از یک مکانیسم سریع عمل سریع با حرکت کوتاه 0.5-1.6 میلیمتر و نیروی عملیاتی قابل تنظیم 0.25-4N استفاده میکند که پاسخ سریع و بدون تأخیر را برای جلوگیری از «محرکهای اشتباه» ارائه میکند. مناسب برای سناریوهای با دقت بالا مانند کنترل درب مایکروویو و سنسورهای صنعتی.
کیفیت فوق العاده بادوام: کنتاکت های آلیاژی با رسانایی بالا همراه با ساختار تقویت شده، طول عمر مکانیکی بیش از 1 میلیون سیکل و طول عمر الکتریکی بیش از 50000 چرخه را ارائه می دهند. ایده آل برای عملکرد پایدار طولانی مدت در محیط های استفاده با فرکانس بالا مانند وسایل الکترونیکی خودرو و ابزار برقی.
سازگاری گسترده با محیط: در محدوده دمایی -25- تا 125 درجه سانتیگراد کار می کند، در برابر ارتعاشات فرکانس بالا 10-55 هرتز مقاومت می کند، دارای مقاومت عایق ≥100MΩ و ولتاژ مقاومت ترمینال 1000 ولت AC است. عملکرد قابل اعتماد در شرایط سخت مانند ارتعاشات کارگاهی صنعتی و دمای بالا در محفظه موتور خودرو.
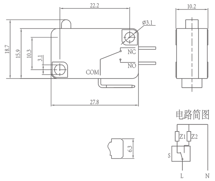
پارامتر میکرو سوئیچ (مشخصات)
| مشخصات فنی سوئیچ: | |||
| آیتم | پارامتر فنی | ارزش | |
| 1 | رتبه بندی برق | 5(2)A/10A/16(3)A/21(8)A 250VAC | |
| 2 | تماس با مقاومت | مقدار اولیه ≤30mΩ | |
| 3 | مقاومت عایق | ≥100MΩ (500VDC) | |
| 4 |
دی الکتریک ولتاژ |
بین پایانه های غیر متصل |
1000V/0.5mA/60S |
| بین پایانه ها و اسکلت فلزی |
3000V/0.5mA/60S | ||
| 5 | زندگی الکتریکی | ≥50000 چرخه | |
| 6 | زندگی مکانیکی | ≥1000000 چرخه | |
| 7 | دمای عملیاتی | -25 ~ 125 ℃ | |
| 8 | فرکانس عملیاتی | الکتریکی : 15 سیکل مکانیکی: 60 سیکل |
|
| 9 | ضد لرزش | فرکانس ارتعاش: 10 ~ 55 هرتز؛ دامنه: 1.5 میلی متر؛ سه جهت: 1H |
|
| 10 | -25 ~ 125 ℃ بیش از 80 درصد از قسمت غوطه ور باید با لحیم پوشانده شود |
دمای لحیم کاری: 235±5 درجه سانتیگراد زمان غوطه ور شدن: 2 تا 3 ثانیه |
|
| 11 | مقاومت حرارتی لحیم کاری | لحیم کاری عمیق: 260±5℃ 5±1S لحیم کاری دستی: 300±5℃ 2~3S |
|
| 12 | تاییدیه های ایمنی | UL، CSA، VDE، ENEC، TUV، CE، KC، CQC | |
| 13 | شرایط آزمون | دمای محیط:20±5℃ رطوبت نسبی: 65±5٪ RH فشار هوا: 86 ~ 106 کیلو پاسکال |
|
ویژگی و برنامه میکرو سوئیچ
جزئیات میکرو سوئیچ


