سوئیچ سکته مغزی با کیفیت بالا LS یک مؤلفه کنترل اتوماتیک است که با حرکت مکانیکی ایجاد می شود. عملکرد اصلی آن تشخیص جابجایی یا سکته مغزی یک شی برای دستیابی به دهانه و بسته شدن مدارها ، شروع و توقف تجهیزات یا محدود کردن حفاظت است. این یک "ایمنی ایمنی" و "فرمانده اقدام" در اتوماسیون صنعتی و تجهیزات الکترومکانیکی ضروری است.
سوئیچ معرفیتوهین
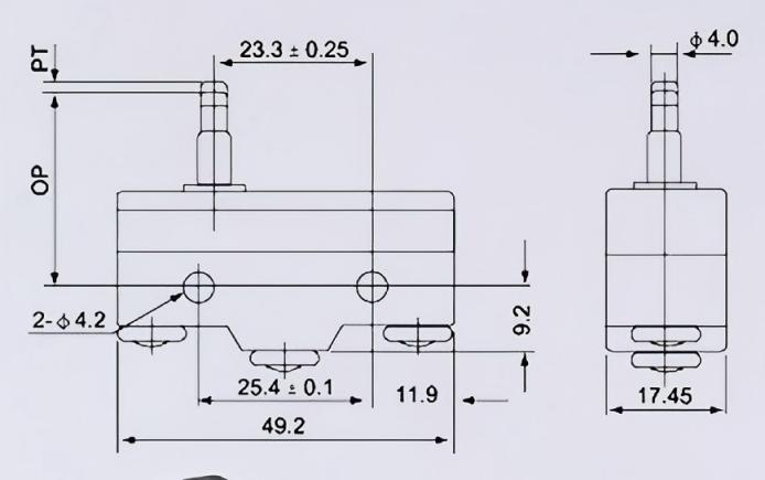
سوئیچ سفر (همچنین به عنوان سوئیچ محدود نیز شناخته می شود) یک مؤلفه کنترل اتوماتیک است که با حرکت مکانیکی ایجاد می شود. عملکرد اصلی آن تشخیص جابجایی یا سکته مغزی یک شی برای دستیابی به دهانه و بسته شدن مدارها ، شروع و توقف تجهیزات یا محدود کردن حفاظت است. این یک "ایمنی ایمنی" و "فرمانده اقدام" در اتوماسیون صنعتی و تجهیزات الکترومکانیکی ضروری است.
سوئیچ متقاضیاننتیجه
سیستم کمربند نوار نقاله: سوئیچ های محدود در نقاط شروع/پایان نقاله نصب می شوند. هنگامی که یک قطعه کار به موقعیت تعیین شده منتقل می شود ، سوئیچ باعث مکث نوار نقاله می شود و با بازوی روباتیک برای انجام اقدامات چنگ زدن و مرتب سازی هماهنگ می شود.
خط مونتاژ: از آنها برای تشخیص اینکه آیا قطعه کار در موقعیت صحیح قرار دارد استفاده می شود. به عنوان مثال ، در یک خط مونتاژ لوازم خانگی ، هنگامی که پوسته بیرونی به ایستگاه سفت کننده پیچ حرکت می کند ، سوئیچ باعث ایجاد راه اندازی دستگاه سفت می شود و از هماهنگی دقیق بین مراحل فرآیند اطمینان می دهد.
سوئیچ جزئیات
