به عنوان یک محصول نماینده کارخانه سیم برق Yueqing Tongda که ادغام استانداردسازی و سفارشی سازی هسته را در بر می گیرد، میکرو سوئیچ برای چاپگرهای جاروبرقی آبمیوه گیری و سایر دستگاه ها با اصول اصلی "پایداری، قابلیت اطمینان و سازگاری با صحنه" طراحی شده است. این شامل 35 سال تخصص در تولید سوئیچ، دستیابی به بهینه سازی های متعدد در عملکرد الکتریکی، سطوح حفاظتی و تجربه کاربر است. این سوئیچ به طور گسترده برای سناریوهایی مانند توزیع برق هوشمند در خانه، تجهیزات کمکی صنعتی و ابزار پزشکی کوچک قابل استفاده است، و آن را به یک جزء کنترل مدار ترجیحی تبدیل می کند که جهانی بودن را با پتانسیل سفارشی سازی متعادل می کند.
میکرو سوئیچمقدمه
مراحل زیر مراحل تولید کلیدی است که خریداران برای ارزیابی کیفیت محصول باید بدانند:
1. ساخت قطعات: تماس ها و فنرهای فلزی دقیق ماشینکاری شده. پوشش بادوام (مواد پلاستیکی/فلزی).
2. مونتاژ: مونتاژ دقیق فنرها، کنتاکت ها و محرک ها برای جلوگیری از تأثیرگذاری بر عملکرد.
3. تست: آزمایش دقیق (هزاران تست پرس، تست تداوم الکتریکی) برای اطمینان از قابلیت اطمینان.
4. بسته بندی: بسته بندی محافظ برای حمل و نقل آسان، با برچسب گذاری واضح مشخصات.
میکرو سوئیچبرنامه
میکرو سوئیچ ها به طور گسترده ای مورد استفاده قرار می گیرند و در عملکرد قابل اعتماد هستند و عمدتاً در موارد زیر استفاده می شوند:
- لوازم خانگی: چراغ یخچال، قفل درب مایکروفر، کلید درب ماشین لباسشویی و تایمر توستر.
- تجهیزات صنعتی: مدل های سنگین مناسب برای تسمه نقاله، ماشین آلات و تابلوهای کنترل (ضد گرد و غبار و رطوبت).
- زمینه خودرو: برف پاک کن شیشه جلو، نشانگر باز بودن درب - قادر به مقاومت در برابر لرزش و دمای شدید.
- دستگاه های الکترونیکی: سوئیچ های مینیاتوری برای کنترل از راه دور و کنترلرهای بازی (پاسخگو و بادوام).
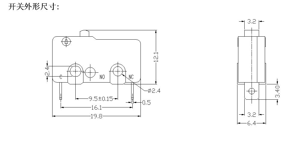
میکرو سوئیچ مشخصات
| مشخصات فنی سوئیچ: | |||
| آیتم | پارامتر فنی | ارزش | |
| 1 | رتبه بندی برق | 5(2)A 125V/250VAC 10(3)125V/250VAC | |
| 2 | تماس با مقاومت | ≤50mΩ مقدار اولیه | |
| 3 | مقاومت عایق | ≥100MΩ (500VDC) | |
| 4 |
دی الکتریک ولتاژ |
بین پایانه های غیر متصل |
500V/0.5mA/60S |
| بین پایانه ها و اسکلت فلزی |
1500V/0.5mA/60S | ||
| 5 | زندگی الکتریکی | ≥10000 چرخه | |
| 6 | زندگی مکانیکی | ≥100000 چرخه | |
| 7 | دمای عملیاتی | -25 ~ 125 ℃ | |
| 8 | فرکانس عملیاتی | برق: 15 سیکل مکانیکی: 60 سیکل |
|
| 9 | ضد لرزش | فرکانس ارتعاش: 10 ~ 55 هرتز؛ دامنه: 1.5 میلی متر؛ سه جهت: 1H |
|
| 10 | قابلیت لحیم کاری: بیش از 80 درصد از قسمت غوطه ور باید با لحیم پوشانده شود |
دمای لحیم کاری: 5±235 درجه سانتیگراد زمان غوطه ور شدن: 2 تا 3 ثانیه |
|
| 11 | مقاومت حرارتی لحیم کاری | لحیم کاری عمیق: 260±5℃ 5±1S لحیم کاری دستی: 300±5℃ 2~3S |
|
| 12 | تاییدیه های ایمنی | UL، CSA، VDE، ENEC، CE | |
| 13 | شرایط آزمون | دمای محیط:20±5℃ رطوبت نسبی: 65±5٪ RH فشار هوا: 86 ~ 106 کیلو پاسکال |
|
تانگدا وایر الکتریک سوئیچ برق داخلی Micro USB جزئیات


