به عنوان مدل معیار سری میکرو سوئیچ کارخانه سیم برق Yueqing Tongda، میکرو سوئیچ اجاق مایکروویو و ماشین لباسشویی دارای "حساسیت بالا، طول عمر فوق العاده طولانی و سازگاری با چند سناریو" به عنوان مزایای اصلی آن است. با ادغام 35 سال تخصص این شرکت در تولید سوئیچ، به لطف حداقل فاصله تماس و مکانیسم عمل سریع، به یک جزء کنترل کلیدی در لوازم خانگی، الکترونیک خودرو، اتوماسیون صنعتی و سایر زمینه ها تبدیل شده است. عملکرد و قابلیت اطمینان آن توسط چندین سازمان معتبر در سراسر جهان تأیید شده است و موقعیت اصلی خود را در بازارهای خاص تضمین می کند.
معرفی میکرو سوئیچ
این محصول دارای گواهینامه های عمده ایمنی جهانی از جمله UL، C-UL، ENEC، VDE، CE، CB، TUV، CQC و KC است، با استاندارد IEC 61058 مطابقت دارد و الزامات دسترسی به بازار را در مناطقی مانند اروپا، آمریکا و آسیا و اقیانوسیه برآورده می کند. این شرکت گواهینامه های سیستم مدیریت کیفیت ISO9001 و IATF 16949 را به دست آورده است و دستورالعمل های زیست محیطی RoHS و REACH را به شدت اجرا می کند و از کنترل تصفیه شده در کل فرآیند تولید اطمینان می دهد. سری HK-14 با 6 اختراع ملی و 48 پتنت مدل کاربردی، به سطوح پیشرو در صنعت از قابلیت اطمینان و سازگاری دست می یابد.
راهنمای نصب و استفاده
هنگام نصب، سوئیچ باید روی یک سطح صاف نصب شود و با یک واشر صاف یا واشر فنری محکم شود تا از خرابی یا آسیب بدنه ناشی از سطوح ناهموار جلوگیری شود. مدل ها را بر اساس محیط انتخاب کنید: برای شرایط مرطوب یا گرد و غبار، توصیه می شود از نسخه سفارشی مهر و موم شده برای افزایش حفاظت استفاده کنید. برای جلوگیری از چسبیدن تماس، خرابی های عملکردی یا حتی فرسودگی، روغن روان کننده را به دکمه یا محرک نزنید. در طول نگهداری، محصول را در یک منطقه خشک و دارای تهویه، محافظت شده از باران یا برف نگهداری کنید و از دما و رطوبت بالا که ممکن است باعث پیری اجزا شود، خودداری کنید تا اطمینان حاصل شود که محصول عملکرد اولیه خود را حفظ می کند.
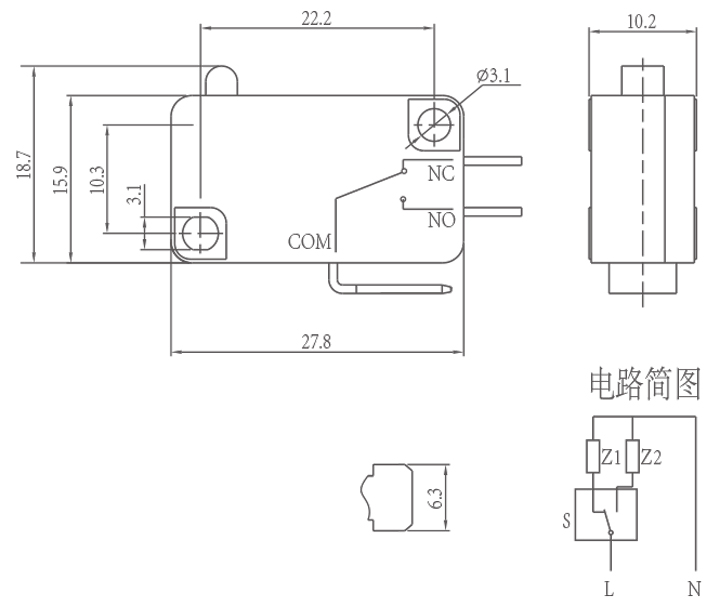
پارامتر میکرو سوئیچ (مشخصات)
| مشخصات فنی سوئیچ: | |||
| آیتم | پارامتر فنی | ارزش | |
| 1 | رتبه بندی برق | 5(2)A/10A/16(3)A/21(8)A 250VAC | |
| 2 | تماس با مقاومت | مقدار اولیه ≤30mΩ | |
| 3 | مقاومت عایق | ≥100MΩ (500VDC) | |
| 4 |
دی الکتریک ولتاژ |
بین پایانه های غیر متصل |
1000V/0.5mA/60S |
|
بین پایانه ها و اسکلت فلزی |
3000V/0.5mA/60S | ||
| 5 | زندگی الکتریکی | ≥50000 چرخه | |
| 6 | زندگی مکانیکی | ≥1000000 چرخه | |
| 7 | دمای عملیاتی | -25 ~ 125 ℃ | |
| 8 | فرکانس عملیاتی |
الکتریکی : 15 سیکل مکانیکی: 60 سیکل |
|
| 9 | ضد لرزش |
فرکانس ارتعاش: 10 ~ 55 هرتز؛ دامنه: 1.5 میلی متر؛ سه جهت: 1H |
|
| 10 |
قابلیت لحیم کاری: بیش از 80 درصد از قسمت غوطه ور باید با لحیم پوشانده شود |
دمای لحیم کاری: 235±5 درجه سانتیگراد زمان غوطه ور شدن: 2 تا 3 ثانیه |
|
| 11 | مقاومت حرارتی لحیم کاری |
لحیم کاری عمیق: 260±5℃ 5±1S لحیم کاری دستی: 300±5℃ 2~3S |
|
| 12 | تاییدیه های ایمنی | UL، CSA، VDE، ENEC، TUV، CE، KC، CQC | |
| 13 | شرایط آزمون |
دمای محیط:20±5℃ رطوبت نسبی: 65±5٪ RH فشار هوا: 86 ~ 106 کیلو پاسکال |
|
ویژگی و برنامه میکرو سوئیچ
جزئیات میکرو سوئیچ
