به عنوان مدل معیار سری میکرو سوئیچ کارخانه سیم برق Yueqing Tongda، میکرو سوئیچ اهرمی کامپوننت الکترونیکی معمولی باز دارای "حساسیت بالا، طول عمر فوق العاده طولانی، و سازگاری چند سناریویی" به عنوان مزایای اصلی آن است. با ادغام 35 سال تخصص این شرکت در تولید سوئیچ، به لطف حداقل فاصله تماس و مکانیسم عمل سریع، به یک جزء کنترل کلیدی در لوازم خانگی، الکترونیک خودرو، اتوماسیون صنعتی و سایر زمینه ها تبدیل شده است. عملکرد و قابلیت اطمینان آن توسط چندین سازمان معتبر در سراسر جهان تأیید شده است و موقعیت اصلی خود را در بازارهای خاص تضمین می کند.
معرفی میکرو سوئیچ
سری HK-14 گزینههای سفارشیسازی بسیار انعطافپذیری را برای برآورده کردن نیازهای کاربردی متفاوت ارائه میدهد. نیروی عملیاتی را می توان سفارشی کرد (کمتر از 5.0 نیوتن در حالت بدون اهرم، استاندارد 30±15 gf)، با محدوده حرکت عملیاتی 0.6-1.5 میلی متر، مناسب برای سناریوهای مختلف نیروی ماشه و جابجایی. سبک های اهرمی قابل تنظیم هستند، از جمله اهرم های مستقیم، خمیده و غلتکی که می توانند با ساختارهای مختلف انتقال مکانیکی مطابقت داشته باشند. فرم های تماس طیف کاملی از SPDT (1NO 1NC)، NO و NC را پوشش می دهند.
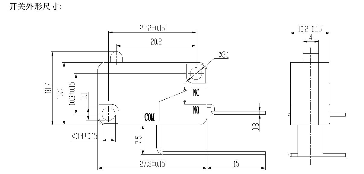
پارامتر میکرو سوئیچ (مشخصات)
| مشخصات فنی سوئیچ: | |||
| آیتم | پارامتر فنی | ارزش | |
| 1 | رتبه بندی برق | 5(2)A/10A/16(3)A/21(8)A 250VAC | |
| 2 | تماس با مقاومت | مقدار اولیه ≤30mΩ | |
| 3 | مقاومت عایق | ≥100MΩ (500VDC) | |
| 4 |
دی الکتریک ولتاژ |
بین پایانه های غیر متصل |
1000V/0.5mA/60S |
|
بین پایانه ها و اسکلت فلزی |
3000V/0.5mA/60S | ||
| 5 | زندگی الکتریکی | ≥50000 چرخه | |
| 6 | زندگی مکانیکی | ≥1000000 چرخه | |
| 7 | دمای عملیاتی | -25 ~ 125 ℃ | |
| 8 | فرکانس عملیاتی |
الکتریکی : 15 سیکل مکانیکی: 60 سیکل |
|
| 9 | ضد لرزش |
فرکانس ارتعاش: 10 ~ 55 هرتز؛ دامنه: 1.5 میلی متر؛ سه جهت: 1H |
|
| 10 |
قابلیت لحیم کاری: بیش از 80 درصد از قسمت غوطه ور باید با لحیم پوشانده شود |
دمای لحیم کاری: 235±5 درجه سانتیگراد زمان غوطه ور شدن: 2 تا 3 ثانیه |
|
| 11 | مقاومت حرارتی لحیم کاری |
لحیم کاری عمیق: 260±5℃ 5±1S لحیم کاری دستی: 300±5℃ 2~3S |
|
| 12 | تاییدیه های ایمنی | UL، CSA، VDE، ENEC، TUV، CE، KC، CQC | |
| 13 | شرایط آزمون |
دمای محیط:20±5℃ رطوبت نسبی: 65±5٪ RH فشار هوا: 86 ~ 106 کیلو پاسکال |
|
ویژگی و برنامه میکرو سوئیچ
جزئیات میکرو سوئیچ
