به عنوان میکرو سوئیچ هسته ای که توسط Yueqing Tongda برای سناریوهای کنترل دقیق همه منظوره توسعه یافته است، سری Micro Switch دکمه ترمینال PCB در اطراف "طراحی فشرده و راه اندازی سریع و دقیق" قرار گرفته است. با 38 سال تجربه در تولید میکرو سوئیچ، پاسخ حساس، طول عمر طولانی و سازگاری گسترده را ترکیب می کند، و آن را به یک جزء کلیدی برای کنترل مدار در لوازم الکترونیکی مصرفی، کنترل صنعتی، دستگاه های خانه هوشمند و موارد دیگر تبدیل می کند، که تشخیص سفر قابل اعتماد و راه حل های روشن/خاموش عملکردی را برای تجهیزات ارائه می دهد.
معرفی میکرو سوئیچ
به عنوان میکرو سوئیچ هسته ای که توسط Yueqing Tongda برای سناریوهای کنترل دقیق همه منظوره توسعه یافته است، سری HK-20 در اطراف "طراحی فشرده و راه اندازی سریع و دقیق" قرار گرفته است. با 38 سال تجربه در تولید میکرو سوئیچ، پاسخ حساس، طول عمر طولانی و سازگاری گسترده را ترکیب می کند، و آن را به یک جزء کلیدی برای کنترل مدار در لوازم الکترونیکی مصرفی، کنترل صنعتی، دستگاه های خانه هوشمند و موارد دیگر تبدیل می کند، که تشخیص سفر قابل اعتماد و راه حل های روشن/خاموش عملکردی را برای تجهیزات ارائه می دهد.
با استفاده از مکانیزم انحصاری سریع ماشه سریع، زمان پاسخ ماشه ≤8 میلیثانیه است که عملکرد را تا 25 درصد در مقایسه با میکرو سوئیچهای سنتی بهبود میبخشد. حرکت ماشه دقیقاً بین 0.3-1.0 میلی متر با محدوده نیروی عملیاتی 1.5-4N کنترل می شود. بازخورد فشار دادن واضح و واضح است، بدون چسبندگی یا پخش آزاد، امکان کنترل دقیق «لمس سبک برای اتصال، رها کردن برای شکستن» را فراهم میکند، که کاملاً برای سناریوهایی که نیاز به حساسیت ماشه بالایی دارند مناسب است. کنتاکت ها از آلیاژ نقره-قلع با خلوص بالا ساخته شده و با جوشکاری نقطه ای دقیق، با مقاومت تماس اولیه ≤30mΩ پردازش شده اند. بار نامی از 1A/250V AC و 3A/125V AC پشتیبانی می کند و به طور موثر از گرم شدن تماس یا سوختن هنگام عبور جریان جلوگیری می کند.
با دکمههای عملکرد و تشخیص سفر چاپگرهای قابل حمل، هدستهای بلوتوث و دستگاههای پوشیدنی هوشمند سازگار میشود. اندازه مینیاتوری آن کاملاً با طراحی فشرده دستگاه ها مطابقت دارد و فعال سازی حساس آن تجربه عملکرد کاربر را افزایش می دهد. پس از استفاده از یک برند معروف لوازم الکترونیکی مصرفی، نرخ تعمیر خرابی دکمه محصول 60٪ کاهش یافت.
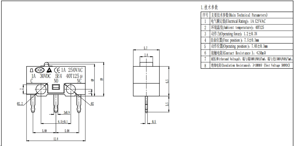
پارامتر میکرو سوئیچ (مشخصات)
| آیتم | پارامترهای فنی اصلی |
| 1 | امتیاز برق: 1A/3A 250VAC |
| 2 | طول عمر الکتریکی: حداقل 10000 سیکل |
| 3 | مقاومت تماس:<50mΩ |
| 4 | نیروی عملیاتی: 70±20gf |
| 5 | موقعیت آزاد: 7.3±0.2 میلی متر |
| 6 | موقعیت عملیاتی: 7.0±0.2 میلی متر |
| 7 | دمای محیط: T85 درجه |
| 8 | مقاومت در برابر ولتاژ: بین ترمینال و ترمینال 500V/5S/5mA؛ |
| بین پایانه ها و کیس 1500/5S/5mA | |
| 9 | مقاومت عایق:> 100MΩ ولتاژ تست 500VDC |
| 10 | شاخص ردیابی اثبات PTI: 175 ولت |
جزئیات میکرو سوئیچ
