دکمه ستون نوع ستون میکرو در قطعات خودکار دارای فاصله تماس کمی و مکانیسم سریع عمل است و مکانیسم تماس برای تعویض عملکرد با سکته مغزی و نیرو مشخص شده توسط پوسته پوشانده شده است و در خارج انتقال وجود دارد و شکل آن اندک است.
محصول معرفیتوهین
سوئیچ های میکرو فشار به فشار یک مؤلفه الکترونیکی رایج است که برای کنترل حالت روشن و خاموش یک مدار استفاده می شود. معمولاً از یک دکمه و سوئیچ تشکیل شده است که هنگام فشار دادن دکمه حالت را تغییر می دهد.
سوئیچ های دکمه فشار می توانند از یک اثر چشمک زن استفاده کنند ، هنگام فشار دادن دکمه ، دکمه برای جلب توجه کاربر چشمک می زند.
محصول متقاضیانمشخصات و مشخصات
دکمه ستون Type Type Micro می تواند برای کنترل نور استفاده شود ، وقتی دکمه فشار داده می شود ، چراغ روشن یا خاموش می شود. همچنین می توان از آن برای کنترل سوئیچ تجهیزات الکتریکی ، تهویه مطبوع و غیره استفاده کرد. در زمینه صنعتی ، سوئیچ های دکمه فشار به طور گسترده ای برای کنترل شروع و توقف تجهیزات مکانیکی استفاده می شود. خواه تجهیزات خانگی ، صنعتی ، خودرو یا الکترونیکی باشد ، از این مؤلفه کنترل ساده جدا نیست.
| ویژگی های فنی را تغییر دهید: | |||
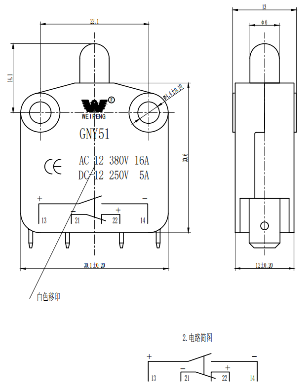
| قسمت | پارامتر فنی | ارزش | |
| 1 | امتیاز الکتریکی | 16a 250VAC | |
| 2 | مقاومت در برابر تماس | مقدار اولیه ≤50mΩ | |
| 3 | مقاومت عایق | ≥100mΩ (500VDC) | |
| 4 |
دی الکتریک ولتاژ |
بین پایانه های بدون اتصال |
500V/0.5mA/60s |
| بین پایانه ها و قاب فلزی |
1500 ولت/0.5mA/60s | ||
| 5 | زندگی الکتریکی | 50000 چرخه | |
| 6 | زندگی مکانیکی | 0000000 چرخه | |
| 7 | دمای عملیاتی | -25 ~ 125 | |
| 8 | بسامد عملیاتی | برقی: 15 چرخه مکانیکی: 60 چرخه |
|
| 9 | اثبات ارتعاش | فرکانس ارتعاش: 55 هرتز 10 ؛ دامنه: 1.5 میلی متر ؛ سه جهت: 1 ساعت |
|
| 10 | توانایی لحیم کاری: بیش از 80 ٪ از قسمت غوطه ور باید با لحیم پوشانده شود |
دمای لحیم کاری: 5 23 235 زمان غوطه وری: 3 ~ 2 |
|
| 11 | مقاومت در برابر حرارت لحیم | لحیم کاری DIP: 5 ± 5 ℃ 5 260 لحیم کاری دستی: 3 3 3 3 3 3S |
|
| 12 | مصوبات ایمنی | Ul 、 CSA 、 TUV 、 CQC 、 CE | |
| 13 | شرایط آزمایش | دمای محیط: 5 20 20 رطوبت نسبی: 5 ± 65 ٪ RH فشار هوا: 86 ~ 106kpa |
|
محصول جزئیات


